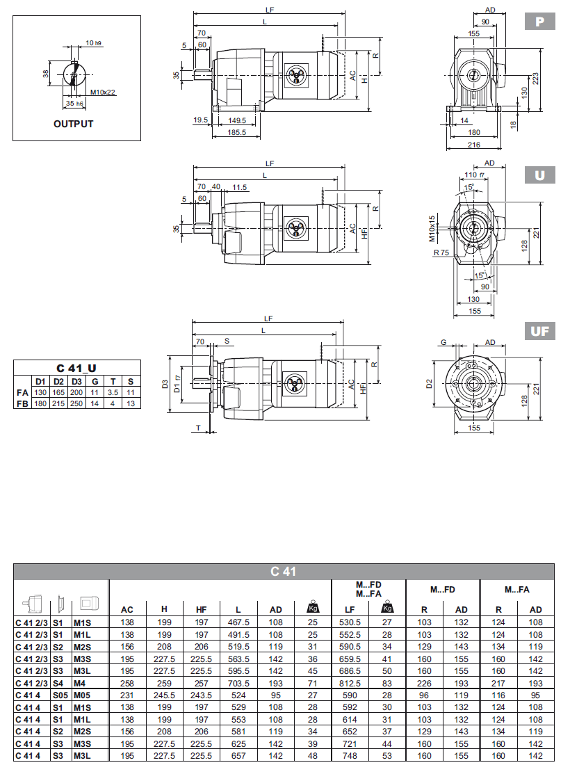
Габаритно-присоединительные размеры C 41

 

Назад

 

Габаритно-присоединительные размеры C 41

Назад

 
© 2014 Редукторы, мотор-редукторы, устройства плавного пуска, преобразователи частоты