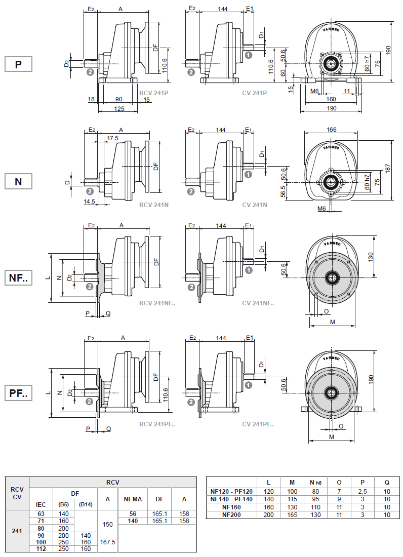
Габаритные и присоединительные размеры RCV 241

 

Назад

 

Габаритные и присоединительные размеры RCV 241

Габаритные и присоединительные размеры RCV 241

Назад

 
© 2014 Редукторы, мотор-редукторы, устройства плавного пуска, преобразователи частоты